学粮号
  • 首页
  • 汽车资讯
  • 电车维修
  • 二手车
  • 新能源
首页 新能源
  • 宝马2022款3系 宝马2022年新款3系

    宝马2022款3系 宝马2022年新款3系

    新能源 •2026-01-29

    1、目前宝马3系330L运动曜夜版后备箱无原生12V电源接口,需通过改装或延伸现有接口实现功能扩展。建议根据实际需求选择合规方案,并优先咨询专业人员。2、最近...

  • 天津一汽森雅,天津一汽森雅图片

    天津一汽森雅,天津一汽森雅图片

    新能源 •2026-01-29

    一汽森雅R9搭载的发动机均在一汽生产线制造,提供2T和5T两款选择,均融合了多项先进技术。其中,2T发动机的最大输出功率可达142马力,峰值扭矩为204牛米;...

  • 比亚迪e5补贴后价格(比亚迪e5补贴后价格会降吗)

    比亚迪e5补贴后价格(比亚迪e5补贴后价格会降吗)

    新能源 •2026-01-29

    总的来说,比亚迪e5是一款非常不错的新能源汽车,它拥有时尚的外观设计、卓越的性能、节能环保的动力系统以及安全配置,让消费者能够享受到安全又高效的出行体验,此外...

  • 广州雷克萨斯4s店 广州雷克萨斯4s店有哪些规格的车

    广州雷克萨斯4s店 广州雷克萨斯4s店有哪些规格的车

    新能源 •2026-01-29

    广州地区几家备受好评的雷克萨斯4S店中,广州骏佳雷克萨斯、广州鸿粤雷克萨斯以及广州科城骏佳雷克萨斯都是非常好的选择。以下是这些店铺的简要介绍:广州骏佳雷克萨斯...

  • 日产陆地巡洋舰多少钱(日产陆地巡洋舰v8)

    日产陆地巡洋舰多少钱(日产陆地巡洋舰v8)

    新能源 •2026-01-29

    途乐确实值得入手,这是不可否认的事实,但是涨到60万的途乐显然就是有人在推动价格,割韭菜了。很多人说,这一切涨价的源头都直指二手车市场,毕竟新车涨价了,二手车...

  • 奔驰amg45/奔驰amg45报价及图片

    奔驰amg45/奔驰amg45报价及图片

    新能源 •2026-01-29

    说到小钢炮,每个男生心里都会有自己喜欢的车型,比如高尔夫GTI,福克斯ST等。长大后,你需要一辆精致的车,适合你的年龄和地位,但同时你又痴迷于从小根植于内心的...

  • 【大众桑塔纳2022款报价,大众桑塔纳2021款报价】

    【大众桑塔纳2022款报价,大众桑塔纳2021款报价】

    新能源 •2026-01-29

    1、买手动桑塔纳的十大忠告如下:保值率高:桑塔纳作为一款经典车型,在市场上具有较高的保值率,这对于未来可能的换车计划是一个不小的优势。后备厢空间足够:该车型的...

  • 宝马530二手车交易报价/宝马530二手车交易报价多少

    宝马530二手车交易报价/宝马530二手车交易报价多少

    新能源 •2026-01-29

    021年宝马530Li二手车在动力、操控和性价比方面表现突出,37万多的售价相比新车落地价省10余万,同时能提供接近新车的驾驶体验与配置水平。动力性能该车搭载...

  • 大众cc图片及价格,大众cc汽车报价及图片 2020试驾视频

    大众cc图片及价格,大众cc汽车报价及图片 2020试驾视频

    新能源 •2026-01-29

    新款大众CC家族上市,更推荐猎装版的原因如下:价格相近,猎装版性价比更高以入门版为例,猎装车330TSI猎目版(指导价269万)比轿车330TSI炫目版(指导...

  • 奇瑞风云2两厢论坛(奇瑞风云2 2016)

    奇瑞风云2两厢论坛(奇瑞风云2 2016)

    新能源 •2026-01-29

    1、奇瑞风云2作为一款经济型家用轿车,在使用过程中部分车主反馈过一些常见问题。以下是该车型可能存在的通病及具体情况:发动机抖动与怠速不稳 部分车主反映冷启动时...

  • 三厢polo叫什么 三厢polo叫什么名字

    三厢polo叫什么 三厢polo叫什么名字

    新能源 •2026-01-29

    1、最建议买的三款Polo车型是:Polo Plus 5L自动纵情乐活版、Polo GTI和Polo Plus 5L自动全景乐享版。Polo Plus 5L自...

  • 新车起亚k2多少钱/新车悦达起亚k2多少钱

    新车起亚k2多少钱/新车悦达起亚k2多少钱

    新能源 •2026-01-29

    1、总结:8年车龄的起亚K2仅在价格极低(≤5万元)且车况完美时值得考虑,否则建议加预算购新车或选择同价位更优质的二手车。购车前需综合评估自身需求、预算及长期...

  • 丰田车和本田车哪个质量比较好 丰田和本田哪款车质量好

    丰田车和本田车哪个质量比较好 丰田和本田哪款车质量好

    新能源 •2026-01-29

    1、若用户更看重长期稳定性和低故障率,丰田可能是更好的选择;若偏好驾驶感受和新技术,本田更合适。2、综合质量对比显示,丰田、本田、日产在可靠性上优于大众,其中...

  • 二手小货车1一2万元微型 二手微型小货车车个人出售

    二手小货车1一2万元微型 二手微型小货车车个人出售

    新能源 •2026-01-29

    万到5万预算可以买到车况不错的二手新能源小货车,主要以瑞驰、东风等品牌的微面车型为主,适合城市物流和短途运输。预算1万左右的二手微型小货车中,五菱、长安、东风...

  • 智能网联汽车好找工作吗 智能网联大专值得上吗

    智能网联汽车好找工作吗 智能网联大专值得上吗

    新能源 •2026-01-29

    智能网联汽车技术专业就业方向主要包括以下几个方面:新能源汽车生产企业:在这些企业中,毕业生可以从事智能网联汽车部件的安装调试、检测维修等工作。随着新能源汽车产...

  • 奥迪q8怎么样优点缺点 奥迪q8车质量到底怎么样

    奥迪q8怎么样优点缺点 奥迪q8车质量到底怎么样

    新能源 •2026-01-29

    澎湃动力塑造卓越驾驶乐趣发动机性能强劲:奥迪Q8搭载0TFSI和0TFSI V6两款发动机。其中0TFSI V6发动机动力储备充沛,最大功率250kW,最大扭...

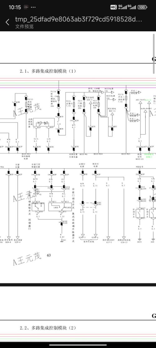
  • 汽车尾灯控制电路设计原理(汽车尾灯控制电路概述)

    汽车尾灯控制电路设计原理(汽车尾灯控制电路概述)

    新能源 •2026-01-29

    1、尾灯控制电路总框图,根据电路总框图的描述,我们大概可以了解到整个汽车控制尾灯的工作原理,从中我们可以发现当左右转信号同时有效时,6盏灯的闪烁是通过一个与非...

  • polo跟飞度哪个好 polo与飞度

    polo跟飞度哪个好 polo与飞度

    新能源 •2026-01-29

    大众Polo和飞度在耐用性上各有侧重,需根据使用场景选择:飞度核心部件耐久性更强,Polo车身工艺与高速稳定性更优。飞度和Polo的耐用性相差不大,选择哪个更...

  • 极限越野无敌版游戏/极限越野无限金币版

    极限越野无敌版游戏/极限越野无限金币版

    新能源 •2026-01-29

    超级玛丽完美版如何选关 在第2关时,跳到最高处,然后在再掉下的地方就可以选关了2,疯狂过山车第2关怎么过常容易,就是把过山车一块一块地砌好,然后点开始,他们那...

  • 不要嫁给开帕萨特的男人/开帕萨特的女人一般都是什么人

    不要嫁给开帕萨特的男人/开帕萨特的女人一般都是什么人

    新能源 •2026-01-29

    综上所述,男人开帕萨特通常意味着他们具有一定的经济实力、注重品质、偏好稳重实用的车型,并且这种选择也体现了他们的性格特质和生活方式。开帕萨特的男人性格都比较成...

  • 汽车报价大全路虎,汽车报价大全2020最新汽车报价路虎

    汽车报价大全路虎,汽车报价大全2020最新汽车报价路虎

    新能源 •2026-01-29

    Discovery是英国豪华汽车品牌路虎旗下的中大型SUV车系,价格根据版本和配置不同,在533万元至200万元之间。品牌归属与定位Discovery是路虎品...

  • 丰田汉兰达2020款多少钱/2021年丰田汉兰达新款

    丰田汉兰达2020款多少钱/2021年丰田汉兰达新款

    新能源 •2026-01-29

    020年汉兰达的落地价格大约在286,500元人民币左右。这一价格受到多种因素的影响,具体如下:车辆价格:基础型号的起价大约在250,000元人民币。购置税:...

  • 【本田crv最新消息,本田crv车型报价及图片】

    【本田crv最新消息,本田crv车型报价及图片】

    新能源 •2026-01-29

    优点: 动力强劲:东风本田CRV搭载了高效的动力系统,提供了充足的动力输出,无论是城市驾驶还是高速行驶,都能轻松应对。 油耗表现优秀:该车型在油耗方面表现出色...

  • 摇号系统 摇号系统能不能内部操作

    摇号系统 摇号系统能不能内部操作

    新能源 •2026-01-29

    1、概率问题:在摇号过程中,出现任何特定的号码组合(包括靓号)都是有可能的,这仅仅是概率问题。就像抛硬币一样,虽然连续出现正面或反面的概率较低,但并非不可能发...

  • 首页
  • 上一页
  • 4
  • 5
  • 6
  • 下一页
  • 尾页

最近发表

  • 北京福田伽途(北京福田伽途ix7 遥控失灵怎么处理)
  • 买车险要买哪几种/买车险要买哪几种险比较划算
  • 15年别克英朗(15年别克英朗油箱多少升)
  • 奇骏老款式图片(老款奇骏还值得买吗?)
  • 【雪弗兰suv科帕奇价格,雪佛兰captiva科帕奇价格】
  • 吉利星越乚2022新款图片(吉利星越最新消息)
  • 【长安跨越星v5参数,长安跨越星v3】
  • 别克英朗2025新款价格及图片,别克英朗2015最新款报价
  • 宾利越野车价格和图片800 宾利越野车报价表
  • 上海交警app查违章扣分,上海交警app查违章扣分查询

热门文章

  • 40万左右越野车型推荐/40万左右越野车型推荐一下2026-01-30
  • 奥迪q3报价及图片2022款 奥迪q3报价2021款价格图片2026-01-30
  • 广州车展最新车型,广州车展汇总2026-01-26
  • 双排小货车新车价格,cnj双排小货车报价2026-01-26
  • 丰田考斯特5座价格,丰田考斯特商务车7座价格2026-01-26
  • 迈巴赫七座2023新款价格(迈巴赫7座报价)2026-01-26
  • 纯进口2006款起亚狮跑 2009款起亚狮跑2026-01-26
  • 上汽maxust90/上汽MAXUS马修斯2026-01-30

© 2026 学粮号 黑ICP备2025034362号-1